Колектори

Колектор призначений для рівномірного розподілу теплоносія в системах опалення різного типу. Теплоносієм може виступати будь-яка, призначена для цього рідина, найчастіше вода. Застосування розподільчого колектора для котельні дозволяє забезпечити рівномірний розподіл тепла по радіаторах або інших опалювальних приладів (тепла підлога, бойлер…), а також налаштовувати їх чи регулювати, не відключаючи при цьому систему опалення. Колектора можуть бути також спарені з гідрострілкою. Отвори вирізані за допомогою газоплазмової різки. Зварювання проходить в середовищі сумішей аргону і вуглекислого газу. Пофарбовано порошковою фарбою.

Be the first to review “Колектори”

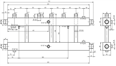
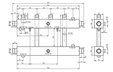
Технічні параметри Колектора

розмір профільної труби 80мм
опалювальні контури “1” РЗ
підключення теплоносія 1¼” РЗ
кількість опалювальних контурів 2,3,4,5
відстань між опалювальними контурами 125мм